Toit solaire De montage Rails Aluminium
Toit solaire de montage rails aluminium
Matériel: Aluminium
Couleur: Natural’Black
Site d’installation : Structure de montage solaire de toit
Standard: SGS/ISO9001/TUV
Garantie: 10 ans
Durée: Plus de 20 ans
Description


Toit solaire De montage Rails Aluminium

Spécification
| Site lnstall | Système de monture de toit |
| Vitesse maximale du vent | Jusqu’à 60m/s |
| Charge de neige | Jusqu’à 1.4KN/m2 |
| Normes | AS/NZS 1170 ET DIN 1055 ' TUV-SGS |
| Matériel | Aluminium 6005-T5 |
| Couleur | Natural-Noir |
| Anticorosif | Anodisé |
| Garantie | 10 ans |
| Duratiom Duratiom | Plus de 20 ans |
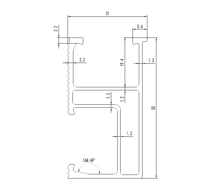
Dessin


Avantages
Installation 1.Easy.
Les innovants wanhos solar rail et D-modules ont grandement simplifié l’installation de modules photovoltaïques. Le système peut être installé avec une seule clé Hexagone et des kits d’outils standard. Les processus pré-assemblés et prédécoupés préviennent fortement la corrosion et vous permettront d’économiser du temps d’installation et des coûts de main-d’œuvre.
2.Great Flexbilitity.
Le système de montage solaire Wanhos a des accessoires de montage conçus pour une utilisation sur presque tous les toits et le sol avec une excellente compatibilité. Conçu comme un système de rackage universel, des modules encadrés de tous les fabricants populaires peuvent être utilisés.
3.Haute précision.
Sans avoir besoin de coupe sur place, l’utilisation de notre extension unique de rail permet d’installer le système avec une précision millimétrique.
4.Maximum durée de vie:
Tous les composants sont faits d’aluminium extrudé de qualité, d’acier C et d’acier inoxydable. La résistance élevée à la corrosion garantit la durée de vie maximale possible et est également entièrement recyclable.
Durabilité 5.Garantie:
Wanhos Solar fournit une garantie de 10 ans sur la durabilité de tous les composants utilisés.


|
![]() |


Xiamen Wanhos Solar Technology Co., Ltd. est une entreprise de haute technologie dans le domaine solaire photovoltaïque spécialisée dans les produits photovoltaïques solaires avec une technologie de pointe et un excellent service. Les membres de Wanhos Solar se consacrent à la recherche, à la conception, à la fabrication et à la vente des solutions régulières, fiables et rentables du système solaire de montage photovoltaïque. En tant que l’un des plus grands exportateurs de produits solaires photovoltaïques en Chine, les produits pionniers ont été installés dans plus de 100 pays et régions depuis sa création.
Concept de gestion
Wanhos Solar a présenté le concept de gestion standardisée et internationalisée au début de sa création, a apporté positivement et strictement appliqué ISO9001:2008,CP, APQP,FMEA, MSA, SPC etc système international de gestion de la qualité dans toutes les phases, y compris la recherche et le développement, la fabrication, le marketing et après le service. |



Informations nécessaires. pour nous de concevoir et de citer -bull; Quelle est votre dimension panneaux pv?___mm Longueur x___mm Épaisseur de largeur x__mm |

étiquette à chaud: toit solaire de montage rails aluminium, fournisseurs Chine, fabricants, usine, personnalisé, acheter, prix, pricelist, citation, échantillon gratuit
Envoyez demande
Vous pourriez aussi aimer
-

Système d'alimentation solaire PV Rondelles à ressor...
-

Crochet en acier inoxydable pour système de structur...
-

Rail de guidage en aluminium pour montage sur pannea...
-

Kit d'épissure de rail de montage de support de pann...
-

Panneau solaire L pieds pour toit en étain
-

Crochets de toit trapézoïdaux en métal personnalisés...








